1.8t Throttle Body Wiring Diagram
Some examples of CAN engine controllers are the Mk5 Golf 20T FSI Turn the key on but do not start the car. Wiring for AHW Throttle Body.

Honda Usefull Ecu Pinouts Obd2b Obd2a Obd1 Ek9 Org Jdm Ek9 Honda Civic Type R Forum Car Ecu Ecu Car Alternator
Return to Top Throttle Body Assembly - priced each.

1.8t throttle body wiring diagram. Aug 26 2021. 1 8 T Wiring Diagram 18T Wiring Harness Diagram Ohiorising regarding Vw 18 T Engine Diagram image size 928 X 670 px. How To Install Replace Engine Serpentine Belt Tensioner Volkswagen Passat 1 8T 98 05 1AAuto.
Repair Update Harness Audi Volkswagen 1 8t With 4 Wire Coils 034 701 0004 034motorsport. With your 5 mm Allen headhex. And finally we upload it on our website.
Part 1 Electronic Throttle Body Tests 2007 2009 3 5l Chevrolet Malibu And Pontiac G6. 43 throttle body diagram. To check for bad coils the best way.
Been a member a while just lurking in the background absorbing Golf Mk4 knowledge. The Location Of My. I swapped out the throttle body with a working spare still getting p1530 and LHM.
Hello Im working on a late 1000 2000 Jetta 18T that the throttle body intermittently goes wonky. Can anybody tell me where I can get a colour coded wiring diagram showing the connections between the ECU and the throttle body. This video was performed on a 2001 Jetta 18t and would be the same inst.
Diagram Mazda Lantis 1 8 Wiring Full Version Hd Quality Codetodiagram Upvivium It. In this video we are going over how to install a throttle body on a VW 18T engine. So If you notice your IAT is located next to your throttle body well then lets take a minute to clean that too.
1 8l 8t Engine Wiring Harness 8e1971072ll. I have major cold idle problems and have been trying to adapt the body after cleaning. We collect plenty of pictures about 1999 Vw Passat Engine Diagram.
You have to practice using the guide it has leading in to the wiring diagram section to be able to read it easily but its worth it. VW has had a recall on these because they were failing rapidly on 2001 cars. From many choices online we are sure this photo may well be a perfect reference for you and we sincerely hope you are delighted by what we present.
Throttle body part must not be dirty carbonized. It is up to the user to ensure these are correct for their application. Ed 1803 Vw Jetta Injector Wiring Harness On 1 8t Coil Pack Diagram.
My 08 23T is throwing code p1530 and initiating Limp Home Mode. The 18T Wiring Harness Explained Guest-only advertisement. Audi A6 Engine Diagram Wiring Diagrams Output Fear.
Diagram throttle body wire diagram full version hd quality wire diagram. Nowadays we are excited to announce we have discovered an incredibly interesting topic to be reviewed namely audi a4 18 t engine diagram. 5 3 1 Use Throttle Body Mode 0 Throttle Body Bosch 0280 750 084 1 2 5V 3 Signal GND 4 Motor 1 5 Butterfly Sensor 1 ECU TPS Input 6 Butterfly Sensor 2 Motor 2 Connections shown looking at body Connections are shown for information only.
Remove the sensors wire harness as described above. If the problem is not active I can re. Print Page - 18T Common Troubleshooting Guide 3 of 6 51406 112 PM Ignition Coils These are famous parts for the 18T they are very prone to failure.
Includes the throttle position sensor Requires ES2794167 to be used with stock intake manifold. 75d drive by wire wiring diagram. About Press Copyright Contact us Creators Advertise Developers Terms Privacy Policy Safety How YouTube works Test new features Press Copyright Contact us Creators.
Ts888 Could you provide a wiring diagram for the ECU. I have the loom blue male plug connected to the loom and the blue female and throttle pedal plug. Throttle Body Mode 0.
Audi A4 18 T Engine Diagram - thank you for visiting our site. An example of a KWP-2000 engine controller is the 2002 B6 Audi A4 18T. Select 01 - Engine Basic Settings - 04.
Edition 0801 W42USA55040121 Wiring diagram A97--0220 Main fuse 4-Pin Relay Carrier with threaded connection A97--0248 5 6 7 1 2 3 4 A97--0245 1 2 3 4. - posted in MkIV Mk4 Golf Bora. Volkswagen Jetta IV 18T Throttle Body Parts Gasket.
From throttle body pin 1 to ECU pin 72 2. Does anyone know the pin outs for the 18t throttle pedal or know where I can see a wiring diagram. Only problem is the pedal plug and female plug are not connected to eachother so need to know where the pins go.
Many good image inspirations on our internet are the very best image selection for 1999 Vw Passat Engine Diagram. Yellowlilac - from throttle body pin 2 to ECU pin 73. This causes epc and cel to illuminate and the car revs itself to 3k rpms before hunting for idle.
Harley throttle by wire wiring diagram. Throttle body wiring problems. Diagram e46 throttle body wire connector wiring vw 01 beetle drive by problem position sensor tac system 2007 2009 2 to the ecu in take plates vag passive audizine forums circuit 3 bolt 78mm dbw 87mm 4 checking valve control part 03l 128 063 b v110 electronics repair 1 8t club gti is bad pedal patrik golf.
So I have ruled out a faulty throttle body or faulty throttle body sensor. But on the 18T its located on the intake manifold. Ls2 throttle body wiring diagram.
Car seems to drive ok other than not having enough vacuum for power brakes so brake pedal is very hard. Many individuals trying to find details about audi a4 18 t engine diagram and certainly one of.

Chevrolet Captiva Electrical Wiring Diagrams Free Downloads Chevrolet Captiva Electrical Wiring Diagram Captiva

Wiring Diagram Kenwood Kdc 252u Home Security Systems Wireless Home Security Systems Alarm System

Toyota Soarer Ecu Pinout Car Ecu Toyota Mr2 Ecu

I M Looking For The Procedure To Test For A Malfunction In The Wiring From The Throttle Body To The Ecu Also To Test
Diagram Fiero Wiring Diagrams Full Version Hd Quality Wiring Diagrams Solardiagrams Hotelrigelcatania It

Audi A4 Tt Volkswagen Passat Golf Beetle Jetta 1 8t Bosch Me7 5 Ecu Repair Guideline Beetle Bosch Guideline Jetta Passat Repair Audi A4 Volkswagen Audi

1970 Plymouth Cuda Wiring Diagram In 2021 Plymouth Cuda Cuda Diagram

Diy B6 1 8t Vacuum Line And Check Valve Removal Simplification Vw Engine Line Diagram Vw Turbo

1970 Plymouth Cuda Wiring Diagram In 2021 Plymouth Cuda Cuda Diagram
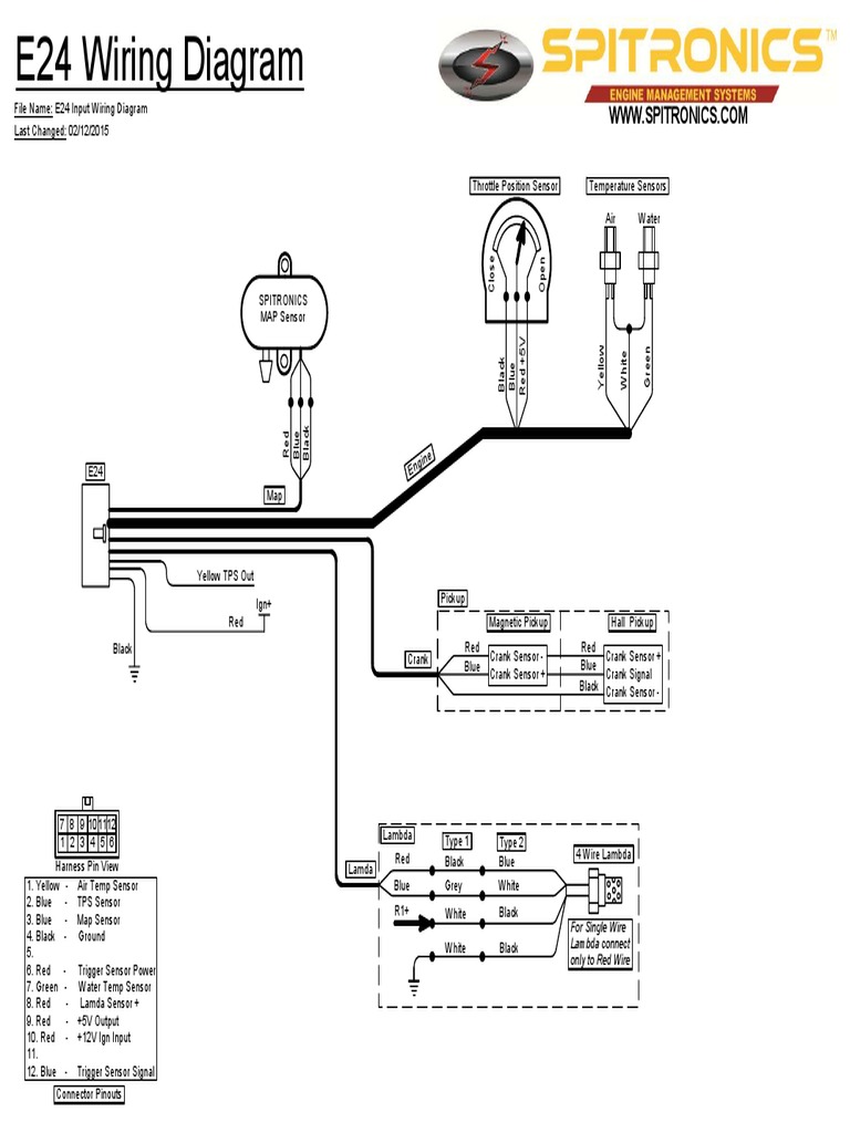
Spitronics Harness E 24 Electrical Components Electricity
Diagram Gm Tbi Swap Wiring Diagram Full Version Hd Quality Wiring Diagram Solardiagrams Hotelrigelcatania It

1 8t Throttle Pedal Wiring Club Gti

Electronic Throttle Motor Wires Identification Youtube

Diagram Honda Xr50r Wiring Diagram Full Version Hd Quality Wiring Diagram Solardiagrams Hotelrigelcatania It

Diagram Audi 1 8t Wiring Diagram Full Version Hd Quality Wiring Diagram Ladderdiagram Hotelrigelcatania It

Car To Arduino Communication Can Bus Sniffing And Broadcasting With Arduino Arduino Arduino Projects Controller Area Network

Diagram 1 8t Iat Sensor Wiring Diagram Full Version Hd Quality Wiring Diagram Soadiagram Antichemurasorrento It


Post a Comment for "1.8t Throttle Body Wiring Diagram"